- Обзор
- Характеристики
- Отзывы (0)
Выполняет функцию защиты сетевого оборудования Ethernet 10/100Base-TX, поддерживающего технологию PoE (все типы PoE-питания), от опасных напряжений, возникающих в результате грозовых разрядов, и индустриальных помех.
Особенности
- Поддержка двух схем организации PoE, предусмотренные стандартом IEEE 802.3af
- Отсутствие ограничений по току, передаваемому в питаемое устройство
- Высокая стойкость
- Способность отводить на шину заземления большие токи при сохранении работоспособности
- Высокая степень подавления помех
- Низкие потери полезного сигнала
Подключение
Для монтажа устройства необходимо вынуть печатную плату из монтажной коробки, открутив 4 фиксирующих шурупа. Вынуть плату будет легко, если перед этим удалить из коробки все сальники. Под платой находятся места для крепежных шурупов. Межцентровое расстояние крепежных отверстий 45 мм. После закрепления коробки плата устанавливается на место, затем устанавливаются сальники. Защищаемый кабель и присоединительный шнур для оборудования вводятся в устройство через правый и левый по рисунку сальники. Разделанные концы витых пар заделываются в коннектор LSA специально предназначенным для этого инструментом в соответствии с цветной этикеткой. Разделка кабеля должна выполняться по правилам монтажа сетей Категории 5. При использовании 2-х парного кабеля следует иметь в виду, что в этом случае передача питания выполняется по сигнальным парам. Подключаемое оборудование должно поддерживать такой способ передачи питания. Подключается 2-х парный кабель к верхним по рисунку коннекторам (оранжевая и зеленая пары).
С точки зрения схемотехники порты абсолютно идентичны, поэтому нет никакой разницы с какой стороны будет подключено оборудование, а с какой кабель.
Подключение к защитному заземлению должно выполняться в соответствии с требованиями "Правил устройства электроустановок потребителей" (ПУЭ), а также других документов, регламентирующих требования к заземляющим устройствам и заземляющим проводникам. Способ соединения должен обеспечивать надежный, стабильный во времени контакт. Проводник защитного заземления вводится в устройство через нижний по рисунку сальник и зажимается под квадратную шайбу клеммы заземления. Для надежной фиксации провода рекомендуется обвести проводник вокруг винта клеммы на угол не менее 180 градусов.
ВНИМАНИЕ !!! ЗАПРЕЩАЕТСЯ !!!
Эксплуатация устройства при отключенном проводнике защитного заземления.
Эксплуатация устройства при нарушении целостности монтажной коробки.
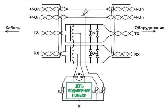
Принцип работы
Стандарт IEEE 802.3af и его более поздняя версия IEEE 802.3at предусматривают две схемы организации дистанционного питания для сетей Ethernet. Устройство поддерживает обе схемы.
В основе работы грозозащиты РГ4PoE IP54 лежит принцип отвода опасных напряжений, возникающих в кабеле, на шину заземления через газонаполненный разрядник от средней точки симметрирующего дросселя. Применение газонаполненного разрядника исключает появление уравнивающих токов в схемах с применением заземления на обоих концах кабельного сегмента. Напряжение срабатывания разрядника и классификационные напряжения варисторов выбраны таким образом, чтобы обеспечить работоспособность изделия при случайном попадании фазного напряжения (220В) электросети общего назначения на жилы кабельного сегмента.
Диодный мост с TVS-диодом в диагонали обеспечивает подавление противофазных помех на сигнальной паре.
Подавление помехи по цепи питания обеспечивается варистором. Другой варистор обеспечивает привязку потенциала питающих напряжений к потенциалу "земли". Он же обеспечивает уравнивание потенциалов между сигнальными парами и парами, по которым передается питание PoE.
Рекомендации по применению
Обустройство грозозащиты только на одном конце кабельного сегмента гарантированно создает проблемы на противоположном конце кабеля. Полная защита оборудования предполагает размещение защитных устройств на обоих концах кабельного сегмента. Применение газонаполненного разрядника в схеме подключения данного устройства к заземлению обеспечивает отсутствие уравнивающих токов в кабельных системах, неохваченных системой уравнивания потенциалов. Это позволяет применить устройство на обоих концах защищаемого кабельного сегмента. Размещение устройств на обоих концах кабеля обеспечивает максимально высокую стойкость системы защиты, которую можно применять для кабельных сегментов большой длины (80 метров и более), размещенных на большой высоте (10 метров и более).









