- Обзор
- Характеристики
- Отзывы (0)
ВНИМАНИЕ!
Эксплуатация устройства при отключенном проводнике защитного заземления запрещена!
Предназначен для защиты оборудования, использующего среду передачи Ethernet 10/100/1000Base-TX, поддерживающего технологию PoE (все типы PoE-питания), от опасных напряжений, возникающих в результате атмосферных разрядов (грозы) и индустриальных помех. Стандарты IEEE 802.3af/at предусматривают две схемы организации дистанционного питания для сетей Ethernet. Модуль РГ4РоЕ поддерживает обе схемы.
Обустройство грозозащиты только на одном конце кабельного сегмента гарантированно создает проблемы на противоположном конце кабеля. Полная защита оборудования предполагает размещение защитных устройств на обоих концах кабельного сегмента.
Устройство с одной стороны оснащено разъёмом 8P8C (RJ45), с другой стороны идёт витая пара с коннектором 8P8C (RJ45) на конце. Длина витой пары 425 мм, длина кабеля заземления 475 мм.
Особенности
- Поддержка двух схем организации дистанционного питания, предусмотренных стандартом IEEE 802.3at
- Отсутствие ограничений по току, передаваемому в питаемое устройство (стандарт IEEE 802.3at предусматривает ток до 1,2 А)
- Высокая стойкость
- Способность отводить на шину заземления большие токи при сохранении работоспособности (5000 ампер и более)
- Высокая степень подавления помех
- Низкие потери полезного сигнала (уровень потерь в устройстве меньше чем в кабеле категории 5е длиной 1 м)
- Работоспособность изделия при случайном попадании фазного напряжения (220 В) на жилы кабеля
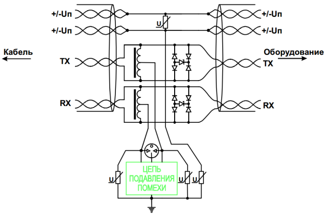
В основе работы устройства лежит принцип отвода опасных напряжений, возникающих в кабеле, на шину заземления через газонаполненный разрядник от средней точки симметрирующего дросселя. Применение газонаполненного разрядника исключает появление уравнивающих токов в схемах с применением заземления на обоих концах кабельного сегмента. Напряжение срабатывания разрядника и классификационные напряжения варисторов выбраны таким образом, чтобы обеспечить работоспособность изделия при случайном попадании фазного напряжения (220 В) электросети общего назначения на жилы кабельного сегмента.
Диодный мост с TVS-диодом в диагонали обеспечивает подавление противофазных помех на сигнальной паре.
Подавление помехи по цепи питания обеспечивается варистором. Другой варистор обеспечивает привязку потенциала питающих напряжений к потенциалу "Земли". Он же обеспечивает уравнивание потенциалов между сигнальными парами и парами, по которым передается питание РоЕ.
Подключение
Устройство включается в разрыв кабеля между защищаемым оборудованием и кабельным сегментом. Желто-зеленый провод устройства подключается к проводнику защитного заземления РЕ электрической сети. Электрическая проводка в помещении, где производится установка защитного устройства, должна быть выполнена по трехпроводной схеме TN-S.
Не рекомендуется для подключения к защитному проводнику использовать корпус компьютера. Импульсный ток, проходящий через элементы корпуса, может повредить их и стать источником опасных напряжений для электронных компонентов, размещенных в корпусе.
Рекомендации по применению
Обустройство грозозащиты только на одном конце кабельного сегмента гарантированно создает проблемы на противоположном конце кабеля. Полная защита оборудования предполагает размещение защитных устройств на обоих концах кабельного сегмента. Применение газонаполненного разрядника в схеме подключения данного устройства к заземлению обеспечивает отсутствие уравнивающих токов в кабельных системах, неохваченных системой уравнивания потенциалов. Это позволяет применить устройство на обоих концах защищаемого кабельного сегмента. Размещение устройств РГ4PoE.x-x-220 на обоих концах кабеля обеспечивает максимально высокую стойкость системы защиты, которую можно применять для кабельных сегментов большой длины (80 метров и более), размещенных на большой высоте (10 метров и более).












