- Обзор
- Характеристики
- Отзывы (0)
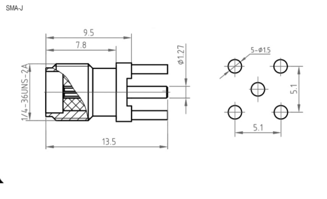
Тип разъёма : SMA-F, 1/4-36UNS-2A
Описание : Разъем высокочастотный
Диапазон рабочих частот, ГГц : до 18
Волновое сопротивление, Ом : маркировка - 75 (без обозначения - 50)
Контактное сопротивление, мОм, не более : 3
Сопротивление изоляции, МОм, не менее : 5000
Диэлектрическая прочность, В : 1500
Материал корпуса : бронза
Материал контакта : бериллиевая медь
Покрытие контакта : золото 0,76 мкм min по никелю
Материал изолятора : тефлон
Диапазон рабочих температур, °C : -65…+165
Количество соединений/ разъединений, циклов, не менее : 500
Глубина, мм : 13,5
Отзывов нет








