- Обзор
- Характеристики
- Отзывы (0)
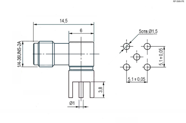
ВЧ разъём RP-SMA - типа, вилка(мама), угловой, под пайку на плату.
*Разъем имеет КСВ<2 в частотном диапазоне до 6 ГГц.
В диапазоне от 6 до 12 ГГц КСВ разъема может быть больше 2.
Тип разъёма : Разъем высокочастотный серии SMA
Диапазон рабочих частот, ГГц : до 12,4
Волновое сопротивление, Ом : 50
Затухание : 0,15 дБ для 6 ГГц
Контактное сопротивление, мОм, не более : ц.к./ б.к. - не более 3/ 2,5
Сопротивление изоляции, МОм, не менее : 5000
Диэлектрическая прочность, В : 1000
Материал корпуса : латунь
Степень защиты : IP67
Диапазон рабочих температур, °C : -55 …+155
Способ монтажа : пайка в плату
Отзывов нет







